锘?
璋冨厜 LED 鐏鍘傚鐨勬柟妗堜笌浣跨敤鎸囧崡
娣卞湷甯傞儙鐗圭鎶鏈夐檺鍏徃鏄皟鍏?LED 鐏鍘傚錛屾垜浠厤璐規彁渚涙柟妗堜笌浣跨敤鎸囧崡
璋冨厜鏂規澶氭牱
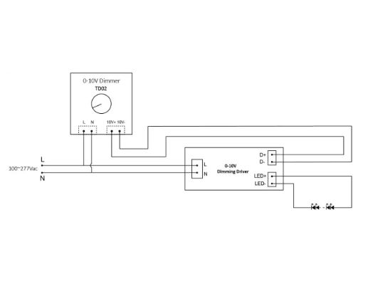
0 - 10V 璋冨厜鏂規錛氭鏂規鍦ㄧ編媧插簲鐢ㄥ箍娉涖傚師鐞嗘槸 0V 鏃剁伅鐏紝1V 鏃惰緝浜紝鍒?10V 鏃惰揪婊″姛鐜囦寒搴︺傝皟鍏夊櫒璐熻澆鍔熺巼 200 - 300W錛岃嫢闇澶ч噺璋冨厜錛岃閰嶅鐩稿叧緋葷粺銆傚綋 DC0 - 10V 椹卞姩鍏夋簮淇″彿綰胯秴 5m錛屽緩璁敤瀵肩數鎬у己銆佺嚎寰勫ぇ鐨勭嚎鏉愶紝鎴栧姞淇″彿鏀懼ぇ鍣ㄨВ鍐沖帇闄嶉棶棰樸傚鐢熶駭杞﹂棿璋冨厜鐏欏圭洰錛屾弧瓚沖弻鏀甫緗╂敮鏋惰 2 鍙?18W 鐏錛?5 濂椾竴緇勶紝鎬誨姛鐜?900W錛岃皟鍏夊櫒涓庣伅鍏瘋窛紱?40 綾崇殑鏉′歡銆傞噰鐢ㄩ摑濉戠璋冨厜鐏錛屽唴緗?0 - 10V 璋冨厜鐢墊簮錛屽崟绔氱數瀹炵幇闇姹傦紝浣嗗畨瑁呮椂瑕佹敞鎰忎袱绔帴綰匡紝閬垮厤鎺ュ弽鐑ф瘉鐏銆?/span>
搴旀ヨ皟鍏夋柟妗?/span>錛氬簲鎬?LED 鐏甯﹁皟鍏夊姛鑳斤紝闆嗘柇鐢靛簲鎬ョ収鏄庝笌鎰熷簲璋冨厜浜庝竴浣撱傚唴緗嗗彉鍣ㄥ拰鍏呯數鐢墊睜錛岀敤浜庡簲鎬ョ収鏄庯紱騫蟲椂鍙綔闆瘋揪鎰熷簲鐏錛屽杞﹀簱銆佸仠杞﹀満銆佽繃閬撶収鏄庯紝瀹炵幇鏃犱漢 5W銆佹湁浜?18W 鐨勬櫤鑳借漿鎹€傚垎浣撳紡 T8 搴旀ヨ皟鍏夌伅綆¢傞厤浠諱綍 T8 鏀灦錛屽畨瑁呭墠媯鏌ラ暱搴﹀尮閰嶏紱涓浣撳紡鍒欐棤闇鏀灦錛岃鍗℃墸鍚庨氱數鍗充寒銆?/span>
璋冨厜璋冭壊娓╂柟妗?/span>錛氱伅綆$敱 LED 鐏澘錛堝弻鑹叉俯涓ゆ潯錛夊拰鍐呯疆鐢墊簮銆佽皟鍏夎皟鑹茬數婧愭瀯鎴愩傞氳繃璋冭妭鐢墊祦澶у皬鎺у埗 LED 鐏彔浜害錛岃皟鑺備袱鏉$伅鏉匡紙濡?3000K 浣庤壊娓┿?500K 楂樿壊娓╋級浜殫姣斾緥瀹炵幇璋冭壊娓┿傚瑕佹殩鑹叉俯錛?000K 鐏澘鍙戝厜錛涜鍐瘋壊娓╋紝6500K 鐏澘鍙戝厜錛涜涓у厜 4000K錛屼袱鐏鍚勪寒涓鍗婃販鍚堝厜綰褲傚彲浜哄伐璋冨厜錛屽巶瀹墮厤璋冨厜寮鍏籌紱涔熷彲鐢佃剳鎺у埗錛屽埄鐢?5G 鎴?WIFI 榪滆窛紱繪櫤鑳藉寲閬ユ帶銆?img src="/../../upload/image/20250807/6389017667788353548157921.png" alt="璋冨厜鐏.png"/>
浣跨敤鎸囧崡錛屾柟娉曚究鎹?/span>
瀹夎錛氶夊吋瀹硅皟鍏夊紑鍏籌紝鏂數鍚庢寜璇存槑涔﹀皢 LED 鐏姝g‘瑁呭埌鐏叿鍐呫傚嬈у徃鏈?LED 鐏錛屽畨瑁呭墠紜璋冨厜寮鍏沖吋瀹規с?/span>
鎺ョ嚎錛?/span>
涓浣撳寲闃叉按璋冨厜 LED 鐏錛氬崟鐩哥殑澶栧3鏈?A 鍜?L 鎺ュ彛錛孉 鎺ヨ礋杞界錛孡 鎺ョ數婧愮錛涚洿嫻佽皟鍏夌殑錛岄┍鍔ㄧ敤緇熶竴鎺ョ嚎绔瓙錛屽茍鑱旀帴綰匡紝涓涓┍鍔ㄥ甫澶氬彧鐏錛岀敱涓涓皟鍏夊櫒鎺у埗銆?/span>
涓夐槻鐏皟鍏?LED 鐏錛氬崟鍙彲鐢ㄥ彲鎺х寮鍏籌紝鏂伀綰匡紝娉ㄦ剰璐熻澆涓嶈秴 200W錛涘弻鏀彲闆嗕腑璋冨厜錛屽巶瀹舵彁渚涙帴綰垮浘銆?/span>
璋冭妭浜害涓庤壊娓?/span>錛?/span>
鏅氳皟鍏?/span>錛氭墦寮鐢墊簮錛岄氳繃璋冨厜寮鍏抽愭笎澧炲噺浜害錛屽鐪嬬數褰辮皟鏆楋紝闃呰璋冮珮浜害銆?/span>
璋冨厜璋冭壊娓╁甫閬ユ帶錛氭墦寮鐏紑鍏籌紝閬ユ帶鍣ㄥ鍑嗙伅綆°傛寜璋冨厜鎸夐挳錛屽厛璁╀綆鑹叉俯 LED 鐏彔浠?0 鍙樺埌 100錛呬寒搴﹁皟浜害錛涘啀鎸夛紝楂樿壊娓?LED 鐏彔鍙樹寒涓庝綆鑹叉俯娣瘋壊璋冭壊娓╋紝楂樺兼椂涓ょ伅鐝犻兘杈?100錛呬寒搴﹀憟鐜版販鑹叉晥鏋溿?/span>

鐗堟潈鎵鏈夛細娣卞湷甯傞儙鐗圭鎶鏈夐檺鍏徃 緗戠珯鍦板浘
鍦板潃錛氭繁鍦沖競瀹濆畨鍖虹姘稿垱涓氬煄宸ヤ笟鍥?23www.scxdfk.com 鐢佃瘽錛?3823563848 澶囨鍙鳳細綺CP澶?024352335鍙?1
鍙嬫儏閾炬帴錛? 鐏叿瀹氬埗鍘傚 浠跨煶鐮栫敓浜у巶瀹?/a> 寤烘潗緗戜紒涓氬簱 閮庣壒鐏 鐏鍘傚 鐗涘緗?/a> 浜戞瘝甯?/a> 鏅鴻兘鐢佃〃 RBC杞存壙 閮庣壒縐戞妧瀹樼綉 濉戞枡鎵樼洏 娌堥槼鐢電嚎鐢電紗鍘?/a> 瀹犵墿鍖葷敓鍜ㄨ 甯稿窞閾濅笟 鐩寸嚎杞存壙 鎶栭煶騫垮憡鎶曟斁 鏆栨皵鐗囧巶瀹剁洿閿 娑堥槻杞?/a> 涓婃搗鍒嗙被淇℃伅 鏂囨湰瀵規瘮 娌沖崡閾濇澘 鐢墊満嫻嬭瘯緋葷粺 灝忚鍒涗笟緗?/a> 涓滆帪鐢典俊瀹藉甫 涔濊喀娓告垙緗?/a> 绔瓙宸ュ巶 璧氶挶鍚?/a> led tube 鏃犲眬閮ㄦ斁鐢佃愬帇璇曢獙瑁呯疆 鏁板瓧鍖栬漿鍨嬫枃妗d笅杞?/a> COB鍏夋簮 led宸ョ熆鐏?/a> 涔濇鐏叿緗?/a> 鐏グ鍔犵洘 娣卞湷甯傞儙鐗圭鎶鏈夐檺鍏徃 閮庣壒鐓ф槑